Click here to view plans. (PDF file; A3 format; 3 pages; 884 KB). To download, right click on any image and 'save target as' (pc) or ctrl click and 'save linked file as' (mac).

To print from home, an A3 printer is needed. Otherwise use a printers. Make sure to print at 100% (i.e. to not stretch to fit page size) to ensure correct sizing.
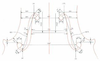
Plans of the original 'Ole Bull' violin provided courtesy of Peter Biddulph and Biddulph Recordings.